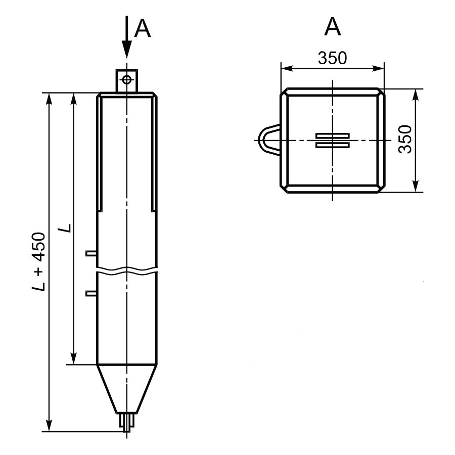
Анкеры для контактной сети АС-10С предназначены для надежного крепления контактной сети к железобетонным конструкциям. Их прочная конструкция обеспечивает надежное соединение и устойчивость к вибрациям, что делает их идеальным выбором для использования в железобетонных изделиях.









